Butt Weld Stub-end là một giải pháp linh hoạt cho các hệ thống đường ống hiện đại, kết hợp hiệu suất mạnh mẽ với tính linh hoạt trong lắp đặt chưa từng có. Được thiết kế để kết thúc đường ống đồng thời cho phép kết nối dễ dàng với mặt bích hoặc các bộ phận khác, nó giúp đơn giản hóa việc bảo trì, giảm thời gian ngừng hoạt động và đảm bảo tính toàn vẹn chống rò rỉ ngay cả trong điều kiện áp suất cao và ăn mòn. Cổ hàn được thiết kế chính xác mang đến sự chuyển tiếp liền mạch giữa đường ống và mặt bích, loại bỏ các điểm yếu và đảm bảo độ bền lâu dài trong những môi trường đòi hỏi khắt khe nhất. Trong các ứng dụng công nghiệp như xử lý hóa chất, dầu khí và sản xuất điện, Butt Weld Stub-end vượt trội trong việc quản lý môi trường mài mòn, nhiệt độ khắc nghiệt và áp suất dao động, giảm thiểu nguy cơ rò rỉ hoặc hư hỏng tốn kém.
| Kích thước | DN15(1/2")-DN1200(48") |
| Độ dày của tường | Sch5S-Sch160 |
| loại | Liền mạch/hàn |
| Giấy chứng nhận | PED, AD2000, EAC, ABS, BV, DNV, NORSOK M650, ISO9001, ISO14001, ISO45001, v.v. |
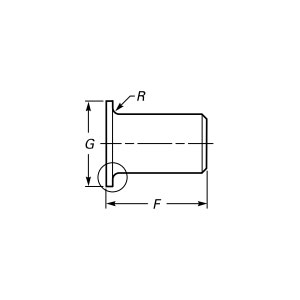
| Giới thiệu chức năng | Stub-end là một phụ kiện đường ống tạo thành cạnh của miệng ống thành một cạnh thẳng đứng dọc theo một đường cong cụ thể thông qua việc dập hoặc hàn. Nó chủ yếu được sử dụng để kết nối các đường ống với mặt bích, van hoặc các phụ kiện đường ống khác để tăng cường độ kín và độ bền kết cấu. Thiết kế của nó thay thế các quy trình vẽ phức tạp, tối ưu hóa dòng chảy nhựa của vật liệu, tránh nứt hoặc nhăn, giảm các bước xử lý và tiết kiệm vật liệu. Nó đặc biệt thích hợp cho các hệ thống phân phối chất lỏng áp suất cao, chống ăn mòn hoặc chính xác. |
| Các trường ứng dụng | Được sử dụng rộng rãi trong các kết nối hệ thống đường ống trong lĩnh vực hóa dầu, vận chuyển khí tự nhiên, năng lượng điện, đóng tàu và kỹ thuật đô thị, thích hợp với môi trường môi trường áp suất cao, nhiệt độ cao và ăn mòn. |
| đóng gói | Gói đi biển, Vỏ gỗ dán hoặc pallet hoặc theo yêu cầu của khách hàng |
| Sản phẩm nổi bật | 1, Đơn hàng tối thiểu lô nhỏ; |
Hệ thống nước và nước thải thành phố được hưởng lợi từ các vật liệu chống ăn mòn—như thép không gỉ hoặc hợp kim song công—đảm bảo dịch vụ đáng tin cậy trong nhiều thập kỷ đồng thời đáp ứng các tiêu chuẩn an toàn và vệ sinh nghiêm ngặt. Các ngành công nghiệp thực phẩm và dược phẩm dựa vào thiết kế trơn tru, không có kẽ hở của nó để duy trì các điều kiện vệ sinh và ngăn ngừa ô nhiễm. Bằng cách cho phép tháo rời và lắp ráp lại nhanh chóng, bộ phận này giúp giảm chi phí nhân công và gián đoạn vận hành trong quá trình kiểm tra hoặc sửa chữa. Chọn Butt Weld Stub-end có nghĩa là đầu tư vào cơ sở hạ tầng sẵn sàng cho tương lai nhằm cân bằng sức mạnh, khả năng thích ứng và hiệu quả chi phí. Hợp tác với chúng tôi để cách mạng hóa hệ thống đường ống của bạn—được thiết kế để hoạt động, được xây dựng để tồn tại lâu dài. Hãy liên hệ với các chuyên gia của chúng tôi ngay hôm nay và khám phá cách thành phần quan trọng này có thể nâng dự án của bạn lên những tiêu chuẩn xuất sắc mới. Hãy hành động ngay để đảm bảo một giải pháp kết hợp sự đổi mới, độ tin cậy và khả năng mở rộng dễ dàng!
Từ nguyên liệu thô đến giao hàng cuối cùng, chúng tôi duy trì sự kiểm soát nghiêm ngặt ở mọi giai đoạn để đảm bảo độ bền, hiệu suất và tính nhất quán.
01
02
03
04
05
06
07
08
09
10
11
12
13
14
15
