Mặt bích Lap Joint xác định lại tính linh hoạt trong hệ thống đường ống, cung cấp giải pháp động để quản lý ứng suất giãn nở và co nhiệt đồng thời cho phép tháo rời liền mạch trong các ứng dụng áp suất thấp. Kết hợp vòng mặt bích chắc chắn với thành phần mặt bích xoay, thiết kế cải tiến này cho phép kiểm soát chuyển động dọc trục của đường ống, hấp thụ hiệu quả các dịch chuyển do nhiệt độ gây ra mà không ảnh hưởng đến tính toàn vẹn của cấu trúc. Có sẵn hai cấu hình—Loại vòng hàn giáp mép (PJ/SE) dành cho các mối hàn có độ chính xác cao và Loại vòng hàn phẳng (PJ/RJ) để lắp đặt đơn giản—nó đáp ứng các nhu cầu vận hành đa dạng trong khi vẫn duy trì hiệu suất chống rò rỉ. Được thiết kế từ thép carbon hoặc thép không gỉ cao cấp, mặt bích chống ăn mòn và mài mòn cơ học, đảm bảo độ tin cậy trong các ngành công nghiệp như xử lý hóa chất, xử lý nước và sản xuất thực phẩm, nơi thường xuyên phải bảo trì hoặc nâng cấp thiết bị.
| Đường kính | DN50(2")-DN2000(80") |
| Áp lực | 0,6-2,5MPa |
| Giấy chứng nhận | PED, AD2000, EAC, ABS, BV, DNV, NORSOK M650, ISO9001, ISO14001, ISO45001, v.v. |
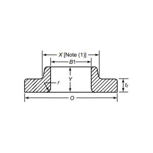
| Giới thiệu chức năng | Kết hợp với vòng bích và mặt bích, cho phép dịch chuyển dọc trục của đường ống và giảm ứng suất giãn nở nhiệt. Các loại: vòng hàn đối đầu (PJ/SE) và vòng hàn phẳng (PJ/RJ). Thích hợp cho đường ống áp suất thấp cần tháo gỡ thường xuyên. |
| Các trường ứng dụng | Áp dụng cho các kết nối mặt bích ống trong đường ống dẫn dầu và khí đốt đường dài, giàn khoan ngoài khơi, thiết bị hóa học, hệ thống xử lý nước và ngành công nghiệp thực phẩm và dược phẩm, thích ứng với các điều kiện làm việc phức tạp. |
| đóng gói | Gói đi biển, Vỏ gỗ dán hoặc pallet hoặc theo yêu cầu của khách hàng |
| Sản phẩm nổi bật | 1, Đơn hàng tối thiểu lô nhỏ; |
Cơ chế xoay của nó giúp đơn giản hóa việc căn chỉnh trong quá trình lắp ráp, giảm chi phí lao động và thời gian ngừng hoạt động trong các hệ thống như máy thủy lực, mạng HVAC hoặc các thiết lập công nghiệp mô-đun. Bằng cách cách ly chuyển động của mặt bích khỏi ứng suất đường ống, nó giúp kéo dài tuổi thọ của các miếng đệm và bu lông, giảm chi phí thay thế lâu dài. Từ các nền tảng ngoài khơi cần bù nhiệt cho đến các nhà máy dược phẩm cần kết nối vô trùng, dễ làm sạch, Lap Joint Flange đảm bảo tuân thủ các tiêu chuẩn ASME và EN đồng thời thích ứng với nhu cầu hoạt động ngày càng phát triển. Được hỗ trợ bởi thử nghiệm nghiêm ngặt và khả năng tương thích linh hoạt, nó trao quyền cho các kỹ sư thiết kế cơ sở hạ tầng linh hoạt, sẵn sàng cho tương lai. Hãy nâng cấp hệ thống đường ống của bạn ngay hôm nay với Mặt bích ghép nối của chúng tôi—nơi kỹ thuật chính xác đáp ứng sức mạnh thích ứng, cho phép hoạt động của bạn phát triển mạnh trong môi trường năng động. Chọn sự linh hoạt, chọn sức bền và mở ra kỷ nguyên hiệu quả mới.
Từ nguyên liệu thô đến giao hàng cuối cùng, chúng tôi duy trì sự kiểm soát nghiêm ngặt ở mọi giai đoạn để đảm bảo độ bền, hiệu suất và tính nhất quán.
01
02
03
04
05
06
07
08
09
10
11
12
