Mặt bích cổ hàn là giải pháp tối ưu cho môi trường áp suất cao, nhiệt độ cao, được thiết kế để mang lại độ tin cậy chưa từng có thông qua kết nối hàn đối đầu chắc chắn và bề mặt bịt kín được sản xuất chính xác. Được thiết kế cho các ứng dụng quan trọng, mặt bích này tích hợp liền mạch với đường ống thông qua mối hàn giáp mép xuyên thấu hoàn toàn, tạo ra cấu trúc nguyên khối chịu được áp suất cực cao, dao động nhiệt và ứng suất cơ học—làm cho mặt bích này không thể thiếu trong các nhà máy lọc dầu, nhà máy hóa dầu và hệ thống điện hạt nhân. Thiết kế cổ côn của nó không chỉ củng cố tính toàn vẹn của cấu trúc mà còn giảm thiểu sự tập trung ứng suất, đảm bảo hiệu suất lâu dài trong các điều kiện khắt khe. Quy trình sản xuất—bao gồm rèn tiên tiến, xử lý nhiệt giảm ứng suất, hoàn thiện chính xác, thử nghiệm không phá hủy (NDT) nghiêm ngặt và xử lý bề mặt chống ăn mòn—đảm bảo một thành phần vượt tiêu chuẩn ngành về độ an toàn và độ bền.
| Đường kính | DN15(1/2")-DN3500(138") |
| Áp lực | 0,25-25MPa |
| Giấy chứng nhận | PED, AD2000, EAC, ABS, BV, DNV, NORSOK M650, ISO9001, ISO14001, ISO45001, v.v. |
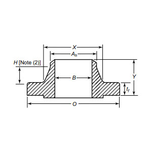
| Giới thiệu chức năng | Kết nối hàn đối đầu cung cấp khả năng bịt kín cường độ cao cho các ứng dụng áp suất cao (HP) và nhiệt độ cao (HT), đảm bảo hiệu suất chống rò rỉ trong các điều kiện khắc nghiệt |
| Các trường ứng dụng | Áp dụng cho các kết nối mặt bích ống trong đường ống dẫn dầu và khí đốt đường dài, giàn khoan ngoài khơi, thiết bị hóa học, hệ thống xử lý nước và ngành công nghiệp thực phẩm và dược phẩm, thích ứng với các điều kiện làm việc phức tạp. |
| đóng gói | Gói đi biển, Vỏ gỗ dán hoặc pallet hoặc theo yêu cầu của khách hàng |
| Sản phẩm nổi bật | 1, Đơn hàng tối thiểu lô nhỏ; |
Từ các đường ống dưới biển chịu được nước biển ăn mòn đến tua-bin hơi nước hoạt động ở nhiệt độ nóng như thiêu đốt, Mặt bích cổ hàn đảm bảo bịt kín chống rò rỉ và vận hành liên tục. Các ngành công nghiệp đòi hỏi chất lượng vượt trội, chẳng hạn như hệ thống chất lỏng hàng không vũ trụ hoặc lưu trữ đông lạnh, dựa vào khả năng duy trì tính toàn vẹn của nó dưới tải trọng tuần hoàn và tiếp xúc với môi trường khắc nghiệt. Bằng cách kết hợp khả năng phục hồi vật liệu vượt trội với kỹ thuật chính xác, mặt bích này giúp giảm chi phí vòng đời thông qua việc giảm thiểu thời gian ngừng hoạt động và bảo trì. Đối với các kỹ sư được giao nhiệm vụ bảo vệ cơ sở hạ tầng có yêu cầu cao, Mặt bích cổ hàn là sự lựa chọn dứt khoát. Nâng cao hiệu suất hệ thống của bạn ngay hôm nay với Mặt bích cổ hàn cao cấp của chúng tôi—nơi sản xuất tiên tiến đáp ứng khả năng phục hồi cấp công nghiệp, trao quyền cho hoạt động của bạn chinh phục các thái cực về áp suất, nhiệt độ và thời gian. Chọn sự xuất sắc, chọn độ bền và xây dựng nền tảng vững chắc trong tương lai cho các hệ thống quan trọng của bạn.
Từ nguyên liệu thô đến giao hàng cuối cùng, chúng tôi duy trì sự kiểm soát nghiêm ngặt ở mọi giai đoạn để đảm bảo độ bền, hiệu suất và tính nhất quán.
01
02
03
04
05
06
07
08
09
10
11
12
